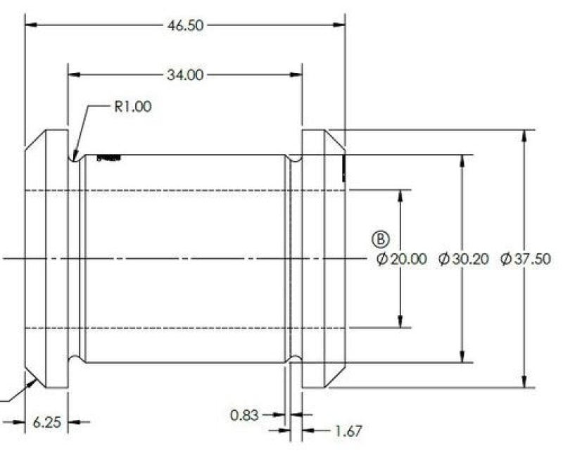
Superpro SPF5548K
Control arm and trailing arm bushings form the vital pivot and link between all core suspension components. Worn bushings allow significant deflection and movement leading to slower Reponses, a sloppy drive, irregular and excessive tire wear and diminish every facet of the way your vehicle drives. The wear is accelerated and the impact of worn bushings is even greater in upgraded trucks and SUVs where the higher weight and impact of items like larger wheels and tires all work the bushings harder. SuperPro's polyurethane bushings are the culmination of nearly 5 decades of suspension expertise and development in Australia's harshest terrain. Designed with durability as a paramount feature we also bring ride and passenger comfort to the forefront of our development. Your vehicle should treat you as well on the way to and from the trail as it performs on your adventure. Our designs and material compositions retain OEM levels of noise and harshness isolation while delivering superior performance and road manners in all conditions
This Part Fits:
| Year | Make | Model | Submodel |
|---|---|---|---|
| 2017-2020 | Fiat | 124 Spider | Abarth |
| 2017-2020 | Fiat | 124 Spider | Classica |
| 2017-2020 | Fiat | 124 Spider | Lusso |
| 2019-2020 | Fiat | 124 Spider | Urbana |
| 2020 | Mazda | MX-5 Miata | 100th Anniversary Special Edition |
| 2016-2023 | Mazda | MX-5 Miata | Club |
| 2016-2023 | Mazda | MX-5 Miata | Grand Touring |
| 2020 | Mazda | MX-5 Miata | RF 100th Anniversary Special Edition |
| 2017-2023 | Mazda | MX-5 Miata | RF Club |
| 2017-2023 | Mazda | MX-5 Miata | RF Grand Touring |
| 2016-2023 | Mazda | MX-5 Miata | Sport |
Is this item in stock?
If it is purchasable it is unstock and available for shipment as soon as today.
How long will it take to get it?
Shipping to US addresses generally takes 2 to 5 business days to arrive depending on your location. We also offer Next Day Air and 2nd Day Air if you need it faster.
International shipping is subject to import duties and taxes and we usually see 4 day to 2 week ship times to most locations outside the USA.
Does this fit my vehicle?
We have fitment charts in most of our vehicle specific products. If you do not see your vehicle, please do not hesitate to ask via chat or contact form.
What is your Return Policy?
Our return policy can be found here: Return Policy
Have Questions? Need help? Chat is awesome!
-
Guaranteed Fitment
Always the correct part
-
In-House Experts
We know our products
-
Low Prices
Low prices every day!
-
Free Shipping On Orders Over $100
To the lower 48 US States
